Технические параметры
- Измеряемая средаУровень и граница раздела (интерфейс)
- Диапазон измерений0.15-6 м (стержневой или коаксиальный зонд)/0.15-30 м (кабельный зонд)
- Минимальная диэлектрическая проницаемость≥1.6
- Минимальная толщина интерфейса>50 мм
- Температура рабочей средыОт −40°C до +80°C
- Время отклика≤3 с
- ТочностьПоверхность: ±3 мм/граница раздела: ±3 мм
- Способ монтажаРезьба G¾/фланец ≥DN25
- Рабочее давлениеОт −100 до 4000 кПа
- ПитаниеПостоянный ток 12-28 В
- Выходные сигналы4-20 мА/HART
- Класс пылевлагозащитыIP66/IP67
- Взрывозащита Ex d ia ⅡC T6 Ga
- Интерфейс связи4-20 мА/HART/RS485/TTL/FDT/DTM
- Рабочая температураОт −40°C до +200 °C
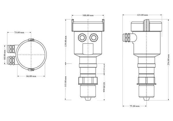
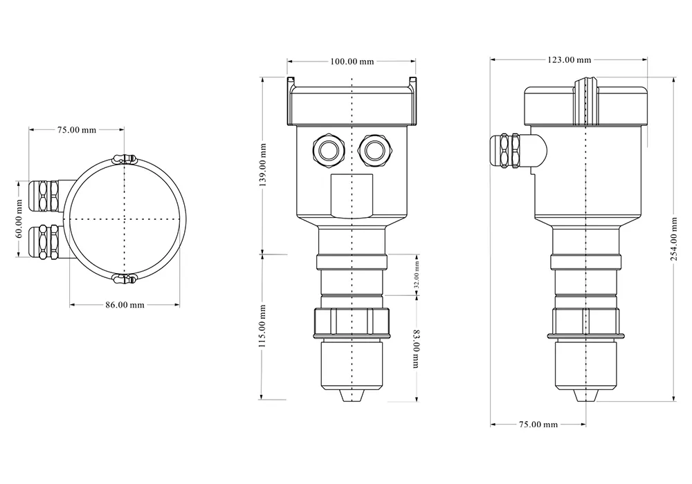
- Габариты (Д×Ш×В)123×100×254 мм
- Масса Прибл. 2 кг
Схема габаритов устройства
Ключевые преимущества
- Комплексная сертификация
Уровнемеры с направленной волной поддерживают интерфейсы HART 7.0 и архитектуру FDT/DTM, что гарантирует легкое подключение и стабильную связь с системами управления.
- Гибкие данные
После калибровки уровнемеры могут быть настроены на вывод различных технологических величин: уровень, объем, вес или расход, в зависимости от потребностей производственных задач.
- Высокая точность и стабильность
Контактное измерение уровня и границы раздела жидкостей с точностью ±2 мм. Малая мертвая зона: менее 10 см в верхней части и около 1 см в нижней, что позволяет точно измерять уровень жидкостей даже в малых емкостях.
- Измерение границы раздела сред
Оснащен специализированными чипами, оптимизированными антеннами и интеллектуальной обработкой сигнала для точного измерения границы раздела между двумя несмешивающимися жидкостями.
- Высокая адаптируемость
Доступен с кабельными, стержневыми или коаксиальными зондами и различными вариантами материалов, контактирующих со средой. Эффективно работает с жидкостями и сыпучими материалами в химической, нефтехимической, фармацевтической, металлургической, энергетической, природоохранной отраслях и судостроении.
Дополнительные приспособления
Промышленный индикатор уровнемера для установки на емкость
GPB80
Видео
Инструкция по сборке уровнемера с направленной волной (GWR)
Калибровка радарного уровнемера на заводе
Варианты применения
Сталелитейная промышленность
Используется в высокотемпературных и высоконапорных процессах для точного и стабильного измерения уровня расплавленного металла.
Химическая промышленность
Подходит для контроля уровня жидкостей и сыпучих материалов в общих технологических условиях, таких как резервуары и силосы.
Энергетическая промышленность
Надежно работает в условиях экстремальных температур и давления для измерения уровня высокотемпературных горючих материалов.
Нефтегазовая отрасль
Эффективен в резервуарах с перемешиваемыми, коррозионными или насыщенными парами жидкостями. Радарный сигнал может проходить через пену, пар или плавающие крышки для определения истинного уровня сырой нефти или других подобных продуктов.
Пищевая промышленность
Подходит для стандартных температурных условий и давления, слабокоррозионных или склонных к парообразованию жидкостей, поддерживая стабильное измерение даже в малогабаритных емкостях.
Производство кормов
Эффективно измеряет уровень гранулированных материалов и порошков, контролируя добавление жидких компонентов в системах смешивания и производства кормов.
Цементная промышленность (шламовые и жидкостные процессы)
Используется в процессах со средней температурой и давлением с перемешиванием или слабой коррозией для измерения уровня цементного шлама и высокотемпературных материалов в накопительных емкостях.
Фармацевтическая промышленность
Применяется в процессах, связанных с перемешиваемыми или коррозионными жидкостями и парами, обеспечивая точный контроль уровня жидких ингредиентов и порошковых материалов.
-
- Модуль радарного уровнемера с направленной волной
- Измеряемая среда
Уровень и граница раздела (интерфейс)
- Диапазон измерений
0.15-6 м (стержневой или коаксиальный зонд)/0.15-30 м (кабельный зонд)
- Радарный модуль с направленной волной (GWR) работает на основе технологии TDR (временной рефлектометрии) и может комбинироваться с кабельными, стержневыми или коаксиальными зондами для непрерывных измерений с минимальным обслуживанием.