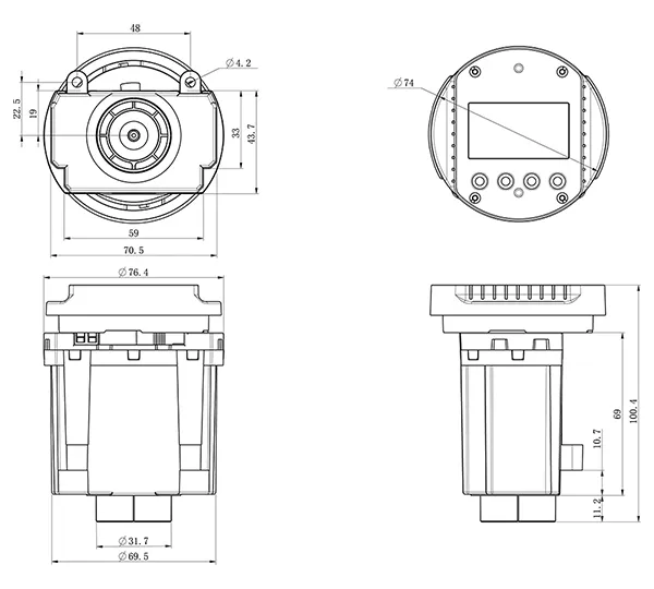
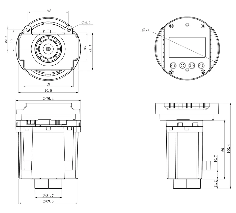
Радарные датчики уровня
Модуль радарного уровнемера с направленной волной
Электронный модуль на основе радара миллиметрового диапазона с направленной волной (Guided Wave Radar), используемый в радарных уровнемерах для жидкостей и сыпучих материалов
Радарный модуль с направленной волной (GWR) работает на основе технологии TDR (временной рефлектометрии) и может комбинироваться с кабельными, стержневыми или коаксиальными зондами для непрерывных измерений с минимальным обслуживанием.
Надежно работает в условиях конденсации, пенообразования, образования отложений, кристаллизации или наличия пара. Каждый электронный модуль GWR уровнемера проектируется с учетом особых условий заказчика для получения стабильных и точных показаний даже при длительной эксплуатации. Кроме того, он подходит для измерения границы раздела двух несмешивающихся жидкостей (интерфейса) или для задач с высоким содержанием паров, оставаясь стабильными при слабом сигнале или воздействии помех. Нелинейная выходная функция позволяет преобразовывать измерительные сигналы в практические данные, такие как объем, вес или расход, обеспечивая гибкое измерение среды в различных технологических процессах.













